微信/电话:13923705220
QQ:1006998092
YAMAHA 二手贴片机买卖
YAMAHA 吸嘴、吸杆、相机、感应器、汽缸、电磁阀、马达、板卡、过滤棉、保养润滑油、白密封油、 等常用配件。
YAMAHA SS款8MM,12/16MM,24MM,32MM,44MM,56MM,72MM电动原装2手和原厂日本全新Feeder。
YAMAHA ZS款电动飞达8MM,12/16MM,24MM,32MM,44MM,56MM,72MM,88MM,104MM FEEDER
YAMAHA YS12,YS12F,YS12P,YS24,YS24X,YS88,YS100,YSM20,YSM40,YC8高速模块贴片机飞达。
YAMAHA,i-Pulse M10,M20,S10,S20 Feeder
长期大量现货供应雅马哈电动ZS款/SS款飞达配件(佳万兴公司自设工厂设备生产配件)
(YS12,YS12F,YS12P,YS12E,YS24,YS24X,YS88,YS100,YSM10,YSM20,YSM20W,YSM40,YSM40R,YC8贴片机飞达配件)
无中间商转差价,欢迎SMT工厂、SMT二手商们前来调货
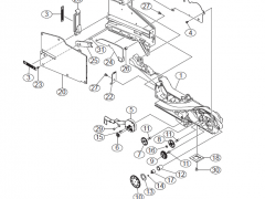
No. Part No. Part Name Q'ty Remarks Change Compati.
1
2 KHJ-MC202-00 COVER,FEEDER SIDE 1 1
3 KHJ-MC20C-00 SEAL,MAIN LABEL 1 *Attention
4 KHJ-MC10E-00 SCREW,FLAT HEXLOBE 11
5 KHJ-MC210-00 MOTOR, FEED 1
5-1 KHJ-MC210-01 MOTOR,FEED 1 (2011/4/13) NG
6 KHJ-MC134-00 GEAR,IDLE F1 1
7 KHJ-MC135-00 GEAR,IDLE F2 1
8 KHJ-MC136-01 GEAR,IDLE F3 1
9 KHJ-MC137-00 GEAR,IDLE F4 1
10 KHJ-MC238-00 GEAR,DRIVEN 1
11
12
13 KHJ-MC23C-00 PLATE,PUSHER GEAR 1
14 KHJ-MC13D-00 SPRING,PUSHER PLATE 3
15 KHJ-MC13F-00 SCREW,STAD 4
16 KHJ-MC13P-00 SPACER,F3 1
17 KHJ-MC23G-000 SHAFT,GEAR DRIVEN 1
18 KHJ-MC206-00 PLATE,UNDER 1
19 KHJ-MC26Y-00 TOP TAPE BOX COMP. 1 With Magnet
20 KHJ-MC262-00 COVER,TOP TAPE BOX 1 Can not be sold
21 KHJ-MC165-00 MAGNET,TAIL 1
22 KHJ-MC266-00 BLOCK,P/O TOOTH 1 1
23 KHJ-MC16J-00 SCREW,FLAT HEAD 11
24 KHJ-MC26L-00 PLATE,GUIDE 1 1
25 KHJ-MC26M-00 PLATE,GUIDE 2 1
26 KHJ-MC26N-00 PLUNGER 1
27 KHJ-MC46T-00 BOLT HEX.S/H LOW 3
28 KHJ-MC26U-00 TAIL COVER ASSY. 1 Can not be sold
29 90166-02JA03 SCREW,PAN HEAD 2
30 98707-03006 SCREW,FLAT HEAD 3
31
32 KHJ-MC26U-S0 PARTS, TAIL COVER 1 *Attention
33 KHJ-MC262-S0 PARTS, BOX COVER 1 *Attention





