YAMAHA配件
KHY-M7153-00,YMH YS12 21W电池阀
2016-07-17 11:39  点击:518
发送报价
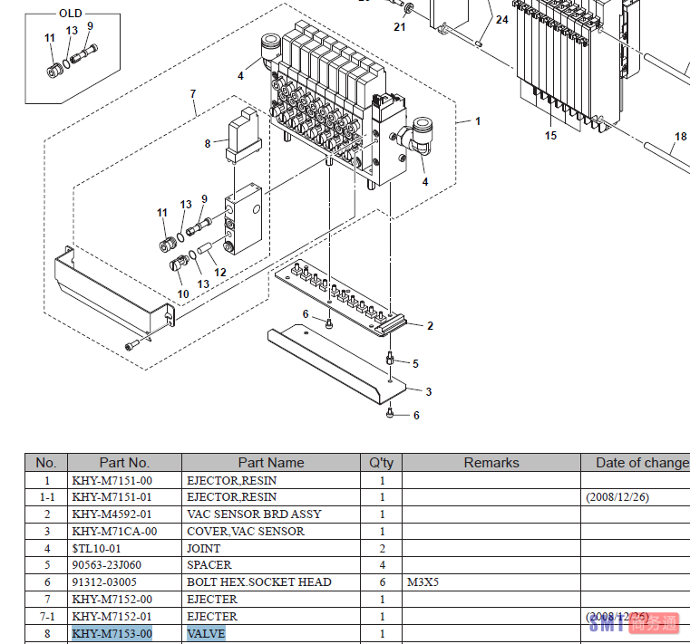
电磁阀料号:KHY-M7153-00
YAMAHA YS12 YS12F贴片机VALVE,21W电池阀
 
微信/手机:13923705220


实物就是以下图片序号8#

 KHY-M7153-00 VALVE
联系方式
公司:深圳市佳万兴电子有限公司
状态:离线 发送信件 在线交谈
姓名:张小虎(先生)
电话:15012722635
手机:13923705220
地区:广东-深圳市
地址:深圳市宝安区福永镇凤凰
邮编:518000
邮件:SMTYAMAHA@126.COM
QQ:1006998092
发表评论
0评